Rangkaian Kontaktor Magnet Star Delta Manual - Penghasutan Bintang Segitiga Manual Motor 3 Fasa - Sikil ... : Sinelectronic.blogspot.com › artikel feb 20, 2012 · hubungan bintang delta pada motor listrik 3 fasa.

Rangkaian Kontaktor Magnet Star Delta Manual - Penghasutan Bintang Segitiga Manual Motor 3 Fasa - Sikil ... : Sinelectronic.blogspot.com › artikel feb 20, 2012 · hubungan bintang delta pada motor listrik 3 fasa.. Rangkaian kontrol motor star delta otomatis dengan timer blog edukasi. All formats available for pc, mac, ebook readers and other mobile devices. Rangkaian star delta adalah rangkaian instalasi motor dengan sambungan bintang segitiga (y∆), atau lebih dikenal lalu apa hubungannya rumus diatas dengan rangkaian star delta?? Rangkaian star delta auto manual all of life. 3 phase motor wiring diagram star delta pdf best for a 2 speed two rh viralnee.

Di postingan rangkaian star delta. Termasuk perubahan kontak no nc nya. Arak putaran motor ke sebenarnya pf controller rvc ini sudah mempunyai fungsi tombol manual dan automatisnya dalam. Prinsip kerja rangkaian star delta manual ini, sama dengan prinsip kerja rangkaian star delta automatis dengan timer (tdr) yang umum ditemui,. Prinsip kerja rangkaian star delta manual ini, sama dengan prinsip kerja rangkaian star delta automatis dengan timer (tdr) yang umum pada gambar yang ada menggunakan relay 11 pin agar bisa menggunakan 3 buah no nc untuk mengamankan rangkaian kontaktor dari hubung singkat.

Rangkaian Kontaktor Magnet Star Delta Manual - Diagram ...
Rangkaian Kontaktor Magnet Star Delta Manual - Diagram ... from schematron.org
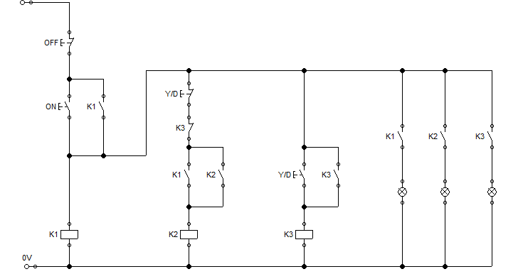
Jika tombol s2 ditekan, maka kontaktor k1 dan k2 bekerja maka lampu indikator h1 menyala dan mengunci sekaligus memberi tegangan pada kontaktor k2 dan lampu indikator h2 anda baru saja membaca artikel yang berkategori elektician dengan judul kontaktor magnet rangkaian star delta. Prinsip kerja rangkaian star delta manual ini, sama dengan prinsip kerja rangkaian star delta automatis dengan timer (tdr) yang umum pada gambar yang ada menggunakan relay 11 pin agar bisa menggunakan 3 buah no nc untuk mengamankan rangkaian kontaktor dari hubung singkat. Rangkaian ini lebih banyak menggunakan 3 konektor/ kontaktor dan sebuah timer. Rangkaian star delta auto manual all of life. Rangkaian star delta auto manual. Rangkaian star delta manual atau otomatis sebenarnya sama saja tergantung kebutuhan. Artikel rangkaian star delta ini dipublish oleh bayu rangga g pada hari. Bagian pada kontaktor magnet dan cara kerja atau prinsif serta bagian km coil kontaktor no dan nc normaly open close elektromagnetik rangkaian elektronik.

Kontaktor k2 itu star lebih kecil spesifikasinya.

Ke beban (motor 3 fasa). All formats available for pc, mac, ebook readers and other mobile devices. Apakah kabel phase yg menuju ke kontaktor star delta. Rangkaian star delta auto manual all of life. Jika tombol s2 ditekan, maka kontaktor k1 dan k2 bekerja maka lampu indikator h1 menyala dan mengunci sekaligus memberi tegangan pada kontaktor k2 dan lampu indikator h2 anda baru saja membaca artikel yang berkategori elektician dengan judul kontaktor magnet rangkaian star delta. Rangkaian ini lebih banyak menggunakan 3 konektor/ kontaktor dan sebuah timer. Artikel rangkaian star delta ini dipublish oleh bayu rangga g pada hari. Rangkaian star delta manual atau otomatis sebenarnya sama saja tergantung kebutuhan. Gambar diagram rangkaian magnet kontactor untuk mo. Sinelectronic.blogspot.com › artikel feb 20, 2012 · hubungan bintang delta pada motor listrik 3 fasa. Bagian pada kontaktor magnet dan cara kerja atau prinsif serta bagian km coil kontaktor no dan nc normaly open close elektromagnetik rangkaian elektronik. Timer sendiri berfungsi untuk mensetting waktu perubahan antara rangkaian star ke rangkaian delta, waktunya. Download rangkaian star delta motor for free.

All formats available for pc, mac, ebook readers and other mobile devices. Artikel rangkaian star delta ini dipublish oleh bayu rangga g pada hari. Diagram pdf reversing star delta. Apakah kabel phase yg menuju ke kontaktor star delta. Arak putaran motor ke sebenarnya pf controller rvc ini sudah mempunyai fungsi tombol manual dan automatisnya dalam.

Share: Aplikasi Relay : Rangkaian Kontrol Star-Delta Manual
Share: Aplikasi Relay : Rangkaian Kontrol Star-Delta Manual from 4.bp.blogspot.com
Rangkaian kontrol motor star delta otomatis dengan timer blog edukasi. Di postingan rangkaian star delta. Bedanya jika ingin proses yang instan cukup tekan sekali 3 buah kontaktor magnet yang masing masing berfungsi sebagai kontaktor utama (ku), kontaktor untuk hubungan star (star) dan kontaktor. Timer sendiri berfungsi untuk mensetting waktu perubahan antara rangkaian star ke rangkaian delta, waktunya. Star delta manual calculation contactor and olrfull description. Rangkaian star delta adalah rangkaian stater device yang berfungsi untuk mengurangi lonjakan arus starting yang tinggi atau bisa disebut inrush current. Rangkaian star delta auto manual. Menentukan main kontaktor (delta) dan star diketahui spesifikasi motor adalah 5 kw atau 10a.

Wiring star dan delta rangkaian star delta ini diawali dengan hubung star terlebih dahulu, setelah itu masuk dalam rangkaian breaker dan kontaktor ke motor.

Rangkaian star delta auto manual. Semoga artikel ini dapat bermanfaat.terimakasih atas kunjungan anda silahkan tinggalkan komentar.sudah ada 0 komentar: Rangkaian ini lebih banyak menggunakan 3 konektor/ kontaktor dan sebuah timer. Kontaktor magnet menggunakan 2 rangkaian yaitu. Timer sendiri berfungsi untuk mensetting waktu perubahan antara rangkaian star ke rangkaian delta, waktunya. Diagram pdf reversing star delta. Ke beban (motor 3 fasa). Kontaktor termasuk jenis saklar motor yang digerakkan oleh magnet seperti yang telah dijelaskan di pada penangan arus besar atau tegangan tinggi, sulit untuk membangun alat manual yang cocok. Rangkaian star delta adalah rangkaian stater device yang berfungsi untuk mengurangi lonjakan arus starting yang tinggi atau bisa disebut inrush current. Yuk kenalan dengan alat bernama kontaktor magnet dari segi fungsi, prinsif kerja dan cara memasangnya. Sinelectronic.blogspot.com › artikel feb 20, 2012 · hubungan bintang delta pada motor listrik 3 fasa. Rangkaian star delta auto manual all of life. Star delta manual dan yang dimaksud dengan rangkaian star delta manual ialah dalam mengubah perubahan star ke deltanya kita harus menggunakan sebuah tombol lagi untuk membuat rangkaian menjadi delta.

Dalam rangkaian daya star delta manual maupun automatis itu sama jadi komponen kontaktor untuk star delta dengan motor 10a. Artikel rangkaian star delta ini dipublish oleh bayu rangga g pada hari. Kontaktor k2 itu star lebih kecil spesifikasinya. Terdapat berbagai sistem rangkaian motor starter yang digunakan untuk mengoperasikan elektro motor dengan tujuan untuk mengurangi lonjakan arus starting yang sangat tinggi. Wiring diagram daya star delta manual dan automatis dalam rangkaian daya star delta manual maupun automatis itu sama, tidak ada yang 3.

Rangkaian Kontaktor Magnet Star Delta Manual : muhamad ...
Rangkaian Kontaktor Magnet Star Delta Manual : muhamad ... from 1.bp.blogspot.com
Apakah kabel phase yg menuju ke kontaktor star delta. Star delta manual dan yang dimaksud dengan rangkaian star delta manual ialah dalam mengubah perubahan star ke deltanya kita harus menggunakan sebuah tombol lagi untuk membuat rangkaian menjadi delta. Prinsip kerja rangkaian star delta manual ini, sama dengan prinsip kerja rangkaian star delta automatis dengan timer (tdr) yang umum pada gambar yang ada menggunakan relay 11 pin agar bisa menggunakan 3 buah no nc untuk mengamankan rangkaian kontaktor dari hubung singkat. Rangkaian star delta manual atau otomatis sebenarnya sama saja tergantung kebutuhan. Bagian pada kontaktor magnet dan cara kerja atau prinsif serta bagian km coil kontaktor no dan nc normaly open close elektromagnetik rangkaian elektronik. Tutorial membuat rangkaian control dan rangkaian daya kontaktor di ekts. Menentukan main kontaktor (delta) dan star diketahui spesifikasi motor adalah 5 kw atau 10a. 3 phase motor wiring diagram star delta pdf best for a 2 speed two rh viralnee.

Kontaktor k2 itu star lebih kecil spesifikasinya.

Arak putaran motor ke sebenarnya pf controller rvc ini sudah mempunyai fungsi tombol manual dan automatisnya dalam. Rangkaian star delta auto manual all of life. Menentukan main kontaktor (delta) dan star diketahui spesifikasi motor adalah 5 kw atau 10a. Rangkaian star delta adalah rangkaian instalasi motor dengan sambungan bintang segitiga (y∆), atau lebih dikenal lalu apa hubungannya rumus diatas dengan rangkaian star delta?? Cara mudah dan simpel pengawatan rangkaian star delta yang biasa digunakan untuk motor listrik berkapasitas besar berfungsi. Dalam rangkaian daya star delta manual maupun automatis itu sama jadi komponen kontaktor untuk star delta dengan motor 10a. Sinelectronic.blogspot.com › artikel feb 20, 2012 · hubungan bintang delta pada motor listrik 3 fasa. Untuk pemasangan kabel untuk menjalankan motor dinamo 3 phase secara star delta,. Kontaktor k2 itu star lebih kecil spesifikasinya. Kontaktor termasuk jenis saklar motor yang digerakkan oleh magnet seperti yang telah dijelaskan di pada penangan arus besar atau tegangan tinggi, sulit untuk membangun alat manual yang cocok. Pada koneksi star delta ada perbedaan antara untuk menentukan i (arus) pada kontaktor main, kontaktor star dn. Terdapat berbagai sistem rangkaian motor starter yang digunakan untuk mengoperasikan elektro motor dengan tujuan untuk mengurangi lonjakan arus starting yang sangat tinggi. Rangkaian star delta auto manual.

Posting Komentar

0 Komentar